
DFI 滾珠螺桿 雙螺母四孔法蘭型
臺灣TBI滾珠螺桿DFI系列為雙螺母絲桿,DFI為I型雙螺帽絲桿,DFI為I型雙螺帽絲桿,此種型式是由鋼珠沿著內循環循環器滿槽,斜斜的越過螺桿牙峰,回來到原點,一般為一卷鋼珠一次循環。螺帽反向器為金屬反向器。此種型式螺桿至少要有一端完全通牙,適用于螺桿徑較小。DFI雙螺帽可通過調解預壓片來調整預緊。
TBI螺桿原產地——臺灣
精密等級—C7級-C5級-C3級
DFI滾珠螺桿直徑——16mm—80mm
螺桿螺距(導程)——4mm、5mm、10mm
DFI螺桿長度——根據要求定做
TBI絲桿有效導程——根據要求定做
絲桿聯接軸徑——根據要求定做
全新滾珠絲桿,此價格包掛螺母,既一副的價格~,如需要加工兩端請傳圖紙,加工費用另計。

| 型號 Model No. |
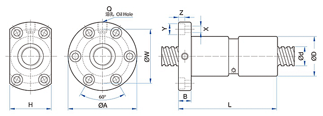
滾珠螺桿、螺帽之基準數據 Dimensions 單位 : mm | |||||||||||||||||
|---|---|---|---|---|---|---|---|---|---|---|---|---|---|---|---|---|---|---|
| d | I | Da | D | A | B | L | W | H | X | Y | Z | Q | n | Ca | Coa | K | ||
| DFI01604-4 | 16 | 4 | 2.381 | 30 | 49 | 10 | 80 | 39 | 34 | 4.5 | 8 | 4.5 | M6 | 1x4 | 973 | 2406 | 44 | |
| DFI01605-4 | 5 | 3.175 | 30 | 49 | 10 | 100 | 39 | 34 | 4.5 | 8 | 4.5 | M6 | 1x4 | 1380 | 3052 | 44 | ||
| DFI02004-4 | 20 | 4 | 2.381 | 34 | 57 | 11 | 80 | 45 | 40 | 5.5 | 9.5 | 5.5 | M6 | 1x4 | 1066 | 2987 | 51 | |
| ★ | DFI02005-4 | 5 | 3.175 | 34 | 57 | 11 | 101 | 45 | 40 | 5.5 | 9.5 | 5.5 | M6 | 1x4 | 1551 | 3875 | 52 | |
| DFI02504-4 | 25 | 4 | 2.381 | 40 | 63 | 11 | 80 | 51 | 46 | 5.5 | 9.5 | 5.5 | M6 | 1x4 | 1180 | 3795 | 60 | |
| ★ | DFI02505-4 | 5 | 3.175 | 40 | 63 | 11 | 101 | 51 | 46 | 5.5 | 9.5 | 5.5 | M8 | 1x4 | 1724 | 4904 | 62 | |
| DFI02510-4 | 10 | 4.762 | 46 | 72 | 12 | 145 | 58 | 52 | 6.5 | 11 | 6.5 | M6 | 1x4 | 2954 | 7295 | 68 | ||
| DFI03204-4 | 32 | 4 | 2.381 | 46 | 72 | 12 | 80 | 58 | 52 | 6.5 | 11 | 6.5 | M6 | 1x4 | 1296 | 4838 | 69 | |
| ★ | DFI03205-4 | 5 | 3.175 | 46 | 72 | 12 | 102 | 58 | 52 | 6.5 | 11 | 6.5 | M8 | 1x4 | 1922 | 6343 | 72 | |
| DFI03210-4 | 10 | 6.350 | 54 | 88 | 15 | 162 | 70 | 62 | 9 | 14 | 8.5 | M8 | 1x4 | 4805 | 12208 | 83 | ||
| ★ | DFI04005-4 | 40 | 5 | 3.175 | 56 | 90 | 15 | 105 | 72 | 64 | 9 | 14 | 8.5 | M8 | 1x4 | 2110 | 7988 | 84 |
| DFI04010-4 | 10 | 6.350 | 62 | 104 | 18 | 165 | 82 | 70 | 11 | 17.5 | 11 | M8 | 1x4 | 5399 | 15500 | 99 | ||
| DFI05010-4 | 50 | 10 | 6.350 | 72 | 114 | 18 | 171 | 92 | 82 | 11 | 17.5 | 11 | M8 | 1x4 | 6004 | 19614 | 115 | |
| ★ | DFI06310-4 | 63 | 10 | 6.350 | 85 | 131 | 22 | 182 | 107 | 95 | 14 | 14 | 13 | M8 | 1x4 | 6719 | 25358 | 135 |
| ★ | DFI08010-4 | 80 | 10 | 6.350 | 105 | 150 | 22 | 182 | 127 | 115 | 14 | 14 | 13 | M8 | 1x4 | 7346 | 31953 | 156 |
首先明確你使用滾珠絲桿的工作件的工作功率,及工作速度。然后選擇原動機,再設計傳動方案,滾珠絲桿屬于傳動方案中的一個機構。
主要參數有:TBI絲桿外徑,導程。這兩個參數決定了滾珠絲桿的負載(負荷及速度),它們是標準值,通過上面說的條件進行計算選擇。還有一個在選擇絲桿進行考慮的參數:滾珠列數(負載回路列圈數也決定負載能力)。其它的外形尺寸,滾珠螺母是依據絲桿、列數、循環方式、安裝形式來確定,桿端尺寸及形式主要取決于安裝形式。
DFI滾珠螺桿看圖必看:
l:—-表示導程
Da:—-表示滾珠直徑
n:—–表示滾珠循環圈數
K:—–表示剛性
Ca:—-表示動載定負荷
Coa:—表示靜載定負荷
TBI滾珠螺桿DFI系列產品應用:
CNC機械螺桿——-CNC加工中心、CNC車床、CNC銑床、CNC放電加工機、CNC磨床、CNC線切割機、CNC鉆孔機、專用機…等等
產業機械絲桿——印刷機、造紙機、自動化機械、紡織機、繪圖機。
電子機械絲桿——量測儀器、x-y平臺、醫學設備、工廠自動化設備、PCB鉆孔機、IC封裝機、半導體設備、工廠自動化設備…等
輸送機械滾珠螺桿——Robort Stage、材料搬送設備、核能反應器,高度致動器…等
航天工業滾珠絲桿——飛機襟翼、機場負載設備。
精密工具機絲桿—-銑床、磨床、放電加工機、刀具磨床、齒輪加工機、鉆床、刨床
其它滾珠螺桿—-如天線使用的致動器、閥門開關裝置…等。





