
SFI 滾珠絲桿 單螺帽四孔法蘭型
臺灣TBI滾珠絲桿SFI系列為四孔法蘭型螺母,TBI絲桿SFI型螺帽型式是由鋼珠沿著內循環循環器滿槽,斜斜的越過螺桿牙峰,回來到原點。一般為一卷鋼珠一次循環。SFI系列常用型號有16直徑滾珠絲桿及2005滾珠絲桿。
原產地—臺灣
精密等級—C7級-C5級-C3級
SFI絲桿直徑——16mm—80mm
螺距(導程)——4mm、5mm、10mm
TBI絲杠長度——可根據絲杠需求訂制
絲杠有效導程——可根據需求訂制
聯接電機軸徑——根據要求定做
TBI螺桿SFI系列全新絲桿,如需要加工兩端請提供圖紙。

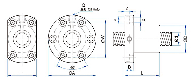
| 型號 Model No. |
滾珠螺桿、螺帽之基準數據 Dimensions 單位 : mm | |||||||||||||||||
|---|---|---|---|---|---|---|---|---|---|---|---|---|---|---|---|---|---|---|
| d | I | Da | D | A | B | L | W | H | X | Y | Z | Q | n | Ca | Coa | K | ||
| SFI01604-4 | 16 | 4 | 2.381 | 30 | 49 | 10 | 45 | 39 | 34 | 4.5 | 8 | 4.5 | M6 | 1x4 | 973 | 2406 | 32 | |
| ★ | SFI01605-4 | 5 | 3.175 | 30 | 49 | 10 | 50 | 39 | 34 | 4.5 | 8 | 4.5 | M6 | 1x4 | 1380 | 3052 | 33 | |
| ★ | SFI01610-3 | 10 | 3.175 | 34 | 58 | 10 | 57 | 45 | 34 | 5.5 | 9.5 | 5.5 | M6 | 1x3 | 1103 | 2401 | 27 | |
| SFI02004-4 | 20 | 4 | 2.381 | 34 | 57 | 11 | 46 | 45 | 40 | 5.5 | 9.5 | 5.5 | M6 | 1x4 | 1066 | 2987 | 37 | |
| ★ | SFI02005-4 | 5 | 3.175 | 34 | 57 | 11 | 51 | 45 | 40 | 5.5 | 9.5 | 5.5 | M6 | 1x4 | 1551 | 3875 | 39 | |
| ★ | SFI0205T-4 | 5.08 | 3.175 | 34 | 57 | 11 | 51 | 45 | 40 | 5.5 | 9.5 | 5.5 | M6 | 1x4 | 1550 | 3875 | 39 | |
| ★ | SFI02504-4 | 25 | 4 | 2.381 | 40 | 63 | 11 | 46 | 51 | 46 | 5.5 | 9.5 | 5.5 | M6 | 1x4 | 1180 | 3795 | 43 |
| ★ | SFI02505-4 | 5 | 3.175 | 40 | 63 | 11 | 51 | 51 | 46 | 5.5 | 9.5 | 5.5 | M8 | 1x4 | 1724 | 4904 | 45 | |
| SFI02510-4 | 10 | 4.762 | 46 | 72 | 12 | 85 | 58 | 52 | 6.5 | 11 | 6.5 | M6 | 1x4 | 2954 | 7295 | 51 | ||
| SFI03204-4 | 32 | 4 | 2.381 | 46 | 72 | 12 | 47 | 58 | 52 | 6.5 | 11 | 6.5 | M6 | 1x4 | 1296 | 4838 | 49 | |
| ★ | SFI03205-4 | 5 | 3.175 | 46 | 72 | 12 | 52 | 58 | 52 | 6.5 | 11 | 6.5 | M8 | 1x4 | 1922 | 6343 | 52 | |
| ★ | SFI03210-4 | 10 | 6.350 | 54 | 88 | 15 | 90 | 70 | 62 | 9 | 14 | 8.5 | M8 | 1x4 | 4805 | 12208 | 62 | |
| ★ | SFI04005-4 | 40 | 5 | 3.175 | 56 | 90 | 15 | 55 | 72 | 64 | 9 | 14 | 8.5 | M8 | 1x4 | 2110 | 7988 | 59 |
| ★ | SFI04010-4 | 10 | 6.350 | 62 | 104 | 18 | 93 | 82 | 70 | 11 | 17.5 | 11 | M8 | 1x4 | 5399 | 15500 | 72 | |
| ★ | SFI05010-4 | 50 | 10 | 6.350 | 72 | 114 | 18 | 93 | 92 | 82 | 11 | 17.5 | 11 | M8 | 1x4 | 6004 | 19614 | 83 |
| ★ | SFI06310-4 | 63 | 10 | 6.350 | 85 | 131 | 22 | 98 | 107 | 95 | 14 | 20 | 13 | M8 | 1x4 | 6719 | 25358 | 59 |
| SFI08010-4 | 80 | 10 | 6.350 | 102 | 150 | 22 | 98 | 127 | 115 | 14 | 20 | 13 | M8 | 1x4 | 7346 | 31953 | 109 | |
首先明確你使用滾珠絲桿的工作件的工作功率,及工作速度。然后選擇原動機,再設計傳動方案,滾珠絲桿屬于傳動方案中的一個機構。
主要參數有:TBI絲桿SFI系列的外徑、導程。這兩個參數決定了滾珠絲桿的負載(負荷及速度),它們是標準值,通過上面說的條件進行計算選擇。還有一個在選擇絲桿進行考慮的參數:滾珠列數(負載回路列圈數也決定負載能力)。其它的外形尺寸,滾珠螺母是依據絲桿、列數、循環方式、安裝形式來確定,桿端尺寸及形式主要取決于安裝形式。
看圖紙必看:
l:—-表示絲桿導程
Da:—-表示滾珠直徑
n:—–表示絲桿螺母滾珠循環圈數
K:—–表示絲桿剛性
Ca:—-表示滾珠絲桿動載定負荷
Coa:—表示絲桿靜載定負荷
TBI滾珠絲桿SFI系列產品應用:
CNC機械螺桿——-CNC加工中心、CNC車床、CNC銑床、CNC放電加工機、CNC磨床、CNC線切割機、CNC鉆孔機、專用機…等等
產業機械絲桿——印刷機、造紙機、自動化機械、紡織機、繪圖機。
電子機械絲桿——量測儀器、x-y平臺、醫學設備、工廠自動化設備、PCB鉆孔機、IC封裝機、半導體設備、工廠自動化設備…等
輸送機械滾珠螺桿——Robort Stage、材料搬送設備、核能反應器,高度致動器…等
航天工業滾珠絲桿——飛機襟翼、機場負載設備。
精密工具機絲桿—-銑床、磨床、放電加工機、刀具磨床、齒輪加工機、鉆床、刨床
其它滾珠螺桿—-如天線使用的致動器、閥門開關裝置…等。
SFI系列絲桿特點:
1.TBI絲桿高性耐性:
啟威傳動TBI滾珠螺桿是以多年來所累積的制品技術為基礎,從材料、熱處理、制造、檢查至出貨,都是以嚴謹的品保制度來加以管理,因此具有高信賴性。
2.TBI滾珠絲桿圓滑的動作性:
SFI螺母 TBI滾珠絲桿比一般滑動螺桿具更高的效率,所需扭矩只有30%以下。可輕易將直線運動變換為回轉運動。滾珠螺桿既使給與預壓,亦能維持圓滑的動作特性。
3.TBI滾珠螺桿無背隙與高剛性
TBI絲桿螺母 MOTION采用哥德式溝槽形狀、軸方向間隙調整至極小亦能輕易轉動。又于1個或2個螺帽間做預壓調整,予消除軸方向間隙,使具有可符合使用條件的適當剛性。
4.TBI絲桿SFI螺母循環方式:
TBI螺母有外循環方式和內循環方式兩種,很大程度上解決了大家在選型時被誤導的局面,歸為兩大類的循環方式,可讓大家在選型時,只用了解螺桿及螺帽的特性,就能更輕易的區分開來自己所適用的產品型號。
6. TBI精密絲桿優異的耐久性:
TBI絲桿 MOTION以累積多年的滾珠螺桿之生產技術為基礎,采用嚴謹的材料借高度熱處理及加工技術,可供給耐久性的制品。

















