
SFH/SFNH 高速滾珠絲桿-法蘭型雙切邊單螺母
與SFS絲桿的區別:
SFH和SFNH系列滾珠絲桿,規格尺寸是一樣的。
1.SFS系列2018年已停止生產,SFH/SFNH是SFS系列的替換品。
2.SFS與SFH/SFNH的尺寸區別,H型螺母法蘭旁凸出來一截(E),其他尺寸和S型是一樣的。
3.SFH/SFNH螺母兩端是鋼制的,SFS兩端是塑膠的,所以H型比S型更耐用,更防撞。
訂貨須知:
原產地—臺灣
等級—C7級-C5級-C3級
TBI絲桿SFH/SFNH系列直徑——12mm—50mm
絲桿螺距(導程)–5mm、10mm、16mm、20mm、25mm、32mm、40mm、50mm
滾珠絲桿長度——根據要求定做
TBI絲桿有效導程——根據要求定做
絲桿聯接軸徑——根據要求定做
全新滾珠絲桿,此價格包掛螺母,既一副的價格~,如需要加工兩端請傳圖紙,加工費用另計。
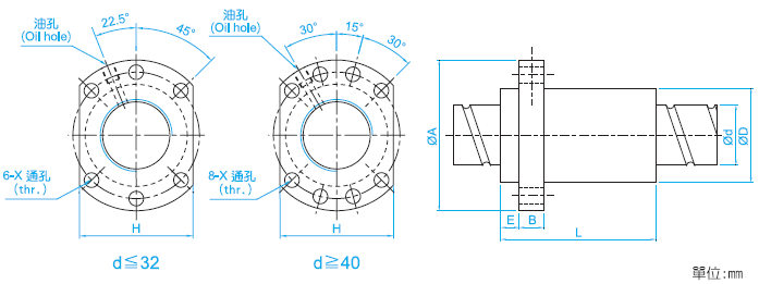
參數圖:


TBI滾珠絲桿SFH/SFNH系列為大導程高速絲桿,螺母型式為法蘭型雙切邊單螺母。TBI絲桿SFH/SFNH其循環方式類似于SFY型滾珠絲桿,由鋼珠滾動于螺桿與螺帽之間的滿槽而前進,再經由循環器兩端之路徑做回流。





