
SFT 滾珠絲桿 單螺帽 高負載外循環法蘭型
SFT系列TBI滾珠絲桿為單螺母高負載外循環精密滾珠絲桿,它與內循環TBI滾珠絲桿的區別在于負載方面。 一般來說,同型號直徑下的內循環螺帽外徑比外循環小,適合安裝在空間較為緊湊的場合,內循環的抗沖擊能力不比外循環,所以大型滾珠絲桿及高負載絲桿大都使用外循環結構。
TBI絲桿原產地—臺灣
精度等級—C7級-C5級-C3級
SFT絲桿直徑——20mm—80mm
螺距(導程)—5m、6mm、10mm、20mm
TBI絲桿長度——根據要求定做
絲桿有效行程——根據要求定做
聯接軸徑——根據要求定做
TBI絲桿SFT系列為全新絲桿,如需要加工兩端請提供圖紙。

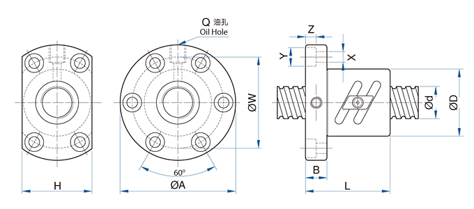
| 型號 Model No. |
滾珠螺桿、螺帽之基準參數 Dimensions 單位 : mm | ||||||||||||||||
|---|---|---|---|---|---|---|---|---|---|---|---|---|---|---|---|---|---|
| d | I | Da | D | A | B | L | W | H | X | Y | Z | Q | n | Ca | Coa | K | |
| SFT02005-5 | 20 | 5 | 3.175 | 44 | 67 | 11 | 57 | 55 | 52 | 5.5 | 9.5 | 5.5 | M6 | 2.5x2 | 1879 | 4844 | 49 |
| SFT02505-5 | 25 | 5 | 3.175 | 50 | 73 | 11 | 55 | 61 | 52 | 5.5 | 9.5 | 5.5 | M8 | 2.5x2 | 2089 | 6129 | 58 |
| SFT02510-2.5 | 10 | 6.350 | 68 | 102 | 15 | 70 | 84 | 82 | 9 | 14 | 8.5 | M8 | 2.5x1 | 2845 | 6062 | 34 | |
| SFT03205-5 | 32 | 5 | 3.175 | 58 | 85 | 12 | 56 | 71 | 64 | 6.6 | 11 | 6.5 | M8 | 2.5x2 | 2329 | 7929 | 69 |
| SFT03206-5 | 6 | 3.969 | 62 | 89 | 12 | 65 | 52 | 68 | 6.6 | 11 | 6.5 | M8 | 2.5x2 | 3189 | 9974 | 73 | |
| SFT03208-5 | 8 | 4.762 | 66 | 100 | 15 | 82 | 82 | 76 | 9 | 14 | 8.5 | M8 | 2.5x2 | 4103 | 12028 | 77 | |
| SFT03210-5 | 10 | 6.350 | 74 | 108 | 15 | 96 | 90 | 82 | 9 | 14 | 9 | M8 | 2.5x2 | 5821 | 15259 | 79 | |
| SFT03220-2.5 | 20 | 6.350 | 74 | 108 | 16 | 100 | 90 | 82 | 9 | 14 | 8.5 | M8 | 2.5x1 | 3284 | 8004 | 43 | |
| SFT04005-5 | 40 | 5 | 3.175 | 67 | 101 | 15 | 59 | 83 | 72 | 9 | 14 | 8.5 | M8 | 2.5x2 | 2556 | 9985 | 79 |
| SFT04010-5 | 10 | 6.350 | 82 | 124 | 18 | 100 | 102 | 94 | 11 | 17.5 | 11 | M8 | 2.5x2 | 6541 | 19375 | 94 | |
| SFT04020-2.5 | 20 | 6.350 | 82 | 124 | 18 | 100 | 102 | 90 | 11 | 17.5 | 11 | M8 | 2.5x1 | 3683 | 10086 | 52 | |
| SFT05010-5 | 50 | 10 | 6.350 | 93 | 135 | 18 | 103 | 113 | 98 | 11 | 17.5 | 11 | M8 | 2.5x2 | 7274 | 24518 | 110 |
| SFT05020-2.5 | 20 | 9.525 | 105 | 152 | 28 | 121 | 128 | 110 | 14 | 20 | 13 | M8 | 2.5x1 | 6867 | 18241 | 63 | |
| SFT06310-5 | 63 | 10 | 6.350 | 108 | 154 | 22 | 105 | 130 | 110 | 14 | 20 | 13 | M8 | 2.5x2 | 8141 | 31697 | 131 |
| SFT06320-2.5 | 20 | 9.525 | 122 | 180 | 28 | 127 | 150 | 130 | 18 | 26 | 17.5 | M8 | 2.5x1 | 7639 | 22908 | 74 | |
| SFT08010-5 | 80 | 10 | 6.350 | 130 | 176 | 22 | 105 | 152 | 132 | 14 | 20 | 13 | M8 | 2.5x2 | 8900 | 39942 | 151 |
| SFT08020-5 | 20 | 9.525 | 143 | 204 | 28 | 180 | 172 | 148 | 18 | 26 | 18 | M8 | 2.5x2 | 15642 | 59684 | 174 | |
| SFT08020-7.5 | 20 | 9.525 | 143 | 204 | 28 | 240 | 172 | 148 | 18 | 26 | 18 | M8 | 2.5x3 | 22169 | 89525 | 257 | |
首先明確你使用滾珠絲桿的工作件的工作功率,及工作速度。然后選擇原動機,再設計傳動方案,滾珠絲桿屬于傳動方案中的一個機構。
TBI滾珠絲桿的主要參數有:TBI絲桿外徑,導程。這兩個參數決定了滾珠絲桿的負載(負荷及速度),它們是標準值,通過上面說的條件進行計算選擇。還有一個在選擇絲桿進行考慮的參數:滾珠列數(負載回路列圈數也決定負載能力)。其它的外形尺寸,滾珠螺母是依據絲桿、列數、循環方式、安裝形式來確定,桿端尺寸及形式主要取決于安裝形式。
外循環SFT滾珠絲桿看圖必看:
l:—-表示絲桿導程(SFT系列重負載型絲桿)
Da:—-表示滾珠絲桿直徑(SFT系列重負荷絲桿)
n:—–表示絲桿螺母滾珠循環圈數
K:—–表示絲桿剛性
Ca:—-表示滾珠絲桿型號基本動載定負荷
Coa:—表示滾珠絲桿型號靜載定負荷
TBI滾珠絲桿SFT系列產品應用:
CNC機械螺桿——-CNC加工中心、CNC車床、CNC銑床、CNC放電加工機、CNC磨床、CNC線切割機、CNC鉆孔機、專用機…等等
產業機械絲桿——印刷機、造紙機、自動化機械、紡織機、繪圖機。
電子機械絲桿——量測儀器、x-y平臺、醫學設備、工廠自動化設備、PCB鉆孔機、IC封裝機、半導體設備、工廠自動化設備…等
輸送機械滾珠螺桿——Robort Stage、材料搬送設備、核能反應器,高度致動器…等
航天工業滾珠絲桿——飛機襟翼、機場負載設備。
精密工具機絲桿—-銑床、磨床、放電加工機、刀具磨床、齒輪加工機、鉆床、刨床
其它滾珠螺桿—-如天線使用的致動器、閥門開關裝置…等。





