![]() |
||
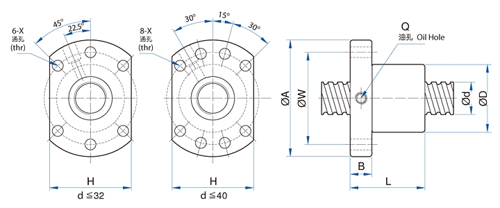
| 產品名稱: | 臺灣TBI六孔法蘭型螺母絲桿SFUR10020 | |
| 產品品牌: | 臺灣TBI滾珠絲桿 | |
| 產品型號: | SFUR10020-4 | |
| 產品內徑: | 導程:20mm | |
| 產品外徑: | 螺杠外徑:100mm | |
| 產品高度: | 螺母外徑:150mm | |
產品說明 |
|||||||||||||||||||||||||||||||||||||||||||||||||
|
東莞啟威五金機電有限公司專業代理加工臺灣TBI滾珠絲桿SFUR10020,軋制3-5天交貨,研磨絲桿7天交貨,如有其它需求請與我們溝通! 臺灣TBI螺母絲桿SFUR10020是一種鋼珠介于螺帽與螺桿之間做運動,將傳統螺桿之滑動接觸轉換成滾動接觸然后在將螺帽內的鋼珠回轉運動轉為直線運動的傳動機械組件。滾珠螺桿具有定精度高、高壽命、低污染和可做高 速正逆向的傳動及變換傳動等特性,因具上述特性,滾珠螺桿已成為近來精密科技產業及精密機械產業的定位及測量系統上的重要零組件之一。
I : 導程, Da : 珠徑, n : 珠卷數, Ca : 動額定負荷(kgf), Coa : 靜額定負荷(kgf), K : 鋼性(kgf/μm) ★ : 可制作左螺紋
臺灣TBI螺母絲桿SFUR10020的選型要領: TBI滾珠絲桿防塵方法:
2.TBI螺母絲桿實現長期間無需維修保養的運動 3.平滑的運動
|
|||||||||||||||||||||||||||||||||||||||||||||||||
產品訂購熱線:13532728713, 13532728713 |
|||||||||||||||||||||||||||||||||||||||||||||||||















