TBI滾珠絲杠生產廠家 DFU2510雙螺母系列

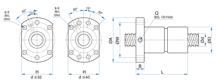
I : 導程, Da : 珠徑, n : 珠卷數, Ca : 動額定負荷(kgf), Coa : 靜額定負荷(kgf), K : 鋼性(kgf/μm) ★ : 可制作左螺紋
|
型號 Model No. |
滾珠螺桿、螺母之基準參數 Dimensions 單位 : mm |
| d |
I |
Da |
D |
A |
B |
L |
W |
X |
H |
Q |
n |
Ca |
Coa |
K |
|
★ |
DFU02510-4 |
25 |
10 |
4.762 |
40 |
62 |
12 |
145 |
51 |
6.6 |
48 |
M6 |
1x4 |
2954 |
7295 |
67 |
TBI滾珠絲杠DFU2510-4是工具機和精密機械上最常使用的傳動元件,其主要功能是將旋轉運動轉換成線性運動,或將扭矩轉換成軸向反覆作用力,同時兼具高精度、可逆性和高效率的特點。其有以下幾項特征:
1、與滑動絲杠副相比驅動力矩為1/3
TBI滾珠絲杠的絲杠軸與絲母之間有很多滾珠在做滾動運動,所以能得到較高的運動效率。與過去的滑動絲杠副相比驅動力矩達到1/3以下,即達到同樣運動結果所需的動力為使用滾動絲杠副的1/3。在省電方面很有幫助。
2、高精度的保證
TBI滾珠絲桿是用日本制造的世界最高水平的機械設備連貫生產出來的,特別是在研削、組裝、檢查各工序的工廠環境方面,對溫度·濕度進行了嚴格的控制,由于完善的品質管理體制使精度得以充分保證。
3、微進給可能
TBI滾珠螺桿由于是利用滾珠運動,所以啟動力矩極小,不會出現滑動運動那樣的爬行現象,能保證實現精確的微進給。
4、無側隙、剛性高
TBI滾珠絲桿可以加予壓,由于予壓力可使軸向間隙達到負值,進而得到較高的剛性(滾珠絲杠內通過給滾珠加予壓力,在實際用于機械裝置等時,由于滾珠的斥力可使絲母部的剛性增強)。
5、高速進給可能
TBI滾珠絲杠由于運動效率高、發熱小、所以可實現高速進給(運動)。 精度公差:C10,C7,C5,C3,C2,C1 C0--數字越小,精度越高。